發布時間: 2015-09-29 瀏覽次數: 作者:邁昂科技
前面我們圍繞“什么是浪涌電流?浪涌電流是如何產生的?如何測量浪涌電流?”這幾個問題展開了討論。
經過上一章節的學習,我們都知道了浪涌電流是在電源接通瞬間的時候,由于輸入濾波的電容快速的充電而產生的。該浪涌電流要遠遠大于穩態輸入電流,那么浪涌電流也勢必會對我們產生一定的危害。浪涌電流到底有哪些危害呢?我們又該如何去抑制浪涌電流?下面就讓我們一起來了解一下吧。
浪涌電流的危害主要有:電源輸入熔斷器熔斷、機械開關或斷路器粘連失效、插入插座時產生打火現象、電源前端接入的整流橋容易被擊穿損壞、電網波形瞬間下跌等。這些現象會給電源廠商和用戶帶來很多麻煩,尤其是在需要可靠性和安全性較高的場合,為了避免這類現象的發生,必須采取一些方法來抑制浪涌電流。
抑制浪涌電流的方法:
1、 串聯溫度系數熱敏電阻(NTC)。利用溫度系數上電時限制浪涌電流,啟動后,NTC流過電流發熱,使其電阻值降低。這種方法相對比較簡單,但是由于受自身發熱及熱啟動特性差的限制,這種方法一般只適用于500W以下并且對電源的使用要求不高的場合。
利用NTC抑制上電浪涌電流
2、 電磁繼電器式,電源上電經一定延時后電磁繼電器的觸點將限流電阻短路,其缺點是體積大,吸和時產生噪音大、繼電器觸點壽命短、耐沖擊振動性差。
3、 固態繼電器式,用可控硅代替機械觸點,其缺點是外圍電路較繁瑣,雙向可控漏電流大,因此也不能有效控制浪涌電流。
機械觸點短接 電子觸點短接
浪涌電流的保護技術:
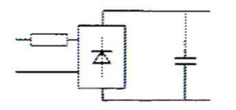
1、 瞬變二極管(選擇合適的保護電壓,單向或雙向,吸收電流),其特點是反應速度快,吸收電流大。通常跨接于線間或線和大地。
2、 自恢復保險絲,串接于線路中在瞬變二極管前,當瞬變二極管吸收電流后通過自恢復保險絲的電流增大切斷通路,特點是反應較慢,但可阻止電流繼續增大應用過程中應選擇合適的電壓和電流參數。
3、 空氣放電管,用于雷電等高壓擊穿空氣放電,放在最前面,接在保護線和大地間或線間。
4、 壓敏電阻,過壓保護線和底線,實際的應用就等于自己做了一個浪涌保護器,以此達到抑制浪涌電流的目的。
用電阻抑制浪涌電流
通過以上學習,我們知道浪涌電流的產生會對我們造成各種或大或小的危害。為保證我們在使用電器過程中的安全,我們應該學習掌握浪涌電流的抑制方法,盡量把這種危害降到最低。
-
2021-11-19
-
2024-12-13
-
2021-08-20
-
2024-07-05
-
2021-09-22
-
2021-08-26
-
2021-11-15
-
2021-10-14
-
2021-12-02

