發布時間: 2015-10-20 瀏覽次數: 作者:邁昂科技
隨著新能源行業的蓬勃發展,電動汽車在生活中也越來越常見。比亞迪、寶馬、特斯拉等汽車制造商都推出了純電動汽車,而混合動力汽車則更為常見。為了方便地給這些電動汽車的電池進行充電,就需要建設充電站。一個充電站是如何構成的?下面讓我們來簡單了解一下。
圖1 電動汽車充電站電氣結構圖
電動汽車充電站主要由三部分構成:供電系統,充電設備和監控系統。
供電系統主要為充電設備提供電源,主要由一次設備(開關、變壓器、線路等)和二次設備(包括檢測、保護、控制裝置等)組成,專門配備有源濾波裝置消除諧波,穩定電網。
充電設備是整個充電站電氣系統的核心部分,一般分直流充電樁和交流充電樁。直流充電樁,即非車載充電機,實現電池快速充電功能。交流充電樁主要提供車輛慢充的功能,輸出為交流電,需連接車載充電機。
充電監控系統由一臺或多臺工作站或服務器組成,可以包括監控工作站、數據服務器等,這些計算機通過網絡聯結。監控工作站提供充電監控人機交互界面,實現充電機的監控和數據收集、查詢等工作;數據服務器存儲整個充電系統的原始數據和統計分析數據等,提供數據服務及其他應用服務。
下面我們重點介紹一下供電系統和充電設備(交流充電樁和直流充電樁)。
供電系統標準要求
1、 供電電源要求
1) 充電站應采用10(20)KV電壓等級供電;
2) 交流充電樁應采用380V或220V電壓等級供電;
3) 直流充電樁應采用380V電壓等級供電。
2、 電能質量要求
1) 供電電源電壓偏差應符合,10(20)KV以及以下三相供電的電壓偏差不得超過標稱電壓的±7。220V單相供電的電壓偏差不得超過標稱電壓的+7%、-10%;
2) 頻率偏差不得超過±0.2Hz;
3) 公共電網諧波電壓的限值要求10(20)KV三相電壓總諧波畸變率小于5%、380V三相電壓總諧波畸變率小于4%;
4) 保證最大負荷運行時變壓器10(20)KV側功率因數不低于0.95。
3、 電氣計量要求
需要測量和計量能效的部分包括:變壓器高低壓側進線、充電機回路、充電樁供電回路。準確度要求應負荷GB/T 50063-2008和DL/T 5137-2008的規定。
交流充電樁原理
交流充電樁電氣系統如圖2所示,主回路由輸入保護斷路器、交流智能電能表、交流控制接觸器和充電接口連接器組成;二次回路由控制繼電器、急停按鈕、運行狀態指示燈、充電樁智能控制器和人機交互設備(顯示、輸入、刷卡)組成。
圖2 交流充電樁電氣系統
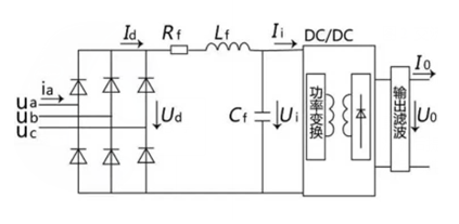
直流充電樁原理
直流充電樁電氣系統三相電網輸入交流電,經過三相橋式不可控整流電路整流變成直流電,濾波后提供給高頻DC-DC功率變換器,功率變換器經過直直變換輸出需要的直流,再次濾波后為電動汽車動力電池充電。如圖3所示。
圖3 直流充電樁電氣系統
隨著電動汽車銷量的不斷增加,對充電站和充電樁的需求也越來越多。如何對充電站和充電樁的電氣性能做檢測也是一個很現實的問題。
Chroma公司憑借30多年的電源測試經驗能夠提供完整的電動汽車充電站測試解決方案,主要的硬件設備包括大功率的電網模擬電源Chroma 61860,大功率的交流負載Chroma 63804和直流負載Chroma 63211,功率分析儀Chroma 66202和Chroma66204等。如果你想實現自動化的測試,就可以選擇Chroma 8000電源自動測試系統。
-
2021-11-26
-
2025-11-28
-
2021-09-02
-
2021-09-03
-
2021-09-15
-
2016-01-13
-
2021-09-06
-
2023-02-23
-
2024-03-22

