發布時間: 2015-12-08 瀏覽次數: 作者:邁昂科技
羅德與施瓦茨(R&S)公司旗下的示波器主要有RTO、RTE、RTM三大系列,其中RTO系列示波器帶寬600MHz到4GHz,采樣率高達20GS/s,標準存儲長度高達80M,這是目前R&S公司示波器家族的高端產品。
在去年,R&S公司已經推出了RTO-K26選件,這是MIPI D-PHY物理層一致性測試的解決方案。在最近,R&S推出了新的RTO-K42選件,這是MIPI D-PHY協議觸發和解碼選件。從此以后,R&S RTO示波器可以提供MIPI D-PHY測試的整體解決方案。
新的RTO-K42選件為基于MIPI D-PHY相關接口的模塊開發人員在設計、驗證和調試過程中提供測試支持。這些接口主要被用于智能手機、平板電腦以及其他便攜電子設備的攝像頭和顯示單元。
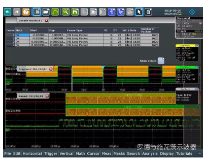
R&S RTO-K42選件可以幫助開發人員直接對MIPI DSI和MIPI CSI-2接口的高速低功率數據包的內容進行觸發。對于MIPI D-PHY開發人員的一個特殊挑戰是數據內容被分割為四個不同通道或鏈路進行傳輸,然后再合并恢復。
R&S RTO-K42選件應對這一挑戰,允許開發人員在分析過程中根據具體的工作模式選擇按位、按鏈路進行解碼并獲得合并后的完整協議內容。無論用戶選擇何種方式,解碼后的結果都可以被顯示為協議列表或具有顏色編碼的蜂窩圖等容易讀取的格式。每條鏈路支持的數據率高達2.5Gbps。
同時,解碼的內容與模擬信號時間相關,幫助用戶方便地識別由信號完整性問題帶來的錯誤。另外,列表顯示的協議內容也支持強大的協議搜索和導航功能,簡化了用戶的調試過程,并使用戶對特定的單獨像素進行驗證和相關分析成為可能。
通過R&S RTO-K42 MIPI D-PHY協議觸發和解碼選件與RTO-K26 MIPI D-PHY物理層一致性測試選件,羅德與施瓦茨公司為用戶提供了完整的MIPI D-PHY接口測試方案,用戶可以利用這些方案對設備的物理層和高速協議層進行快速可靠的分析。
R&S RTO示波器具備極佳的信號保真度,具備高分辨率、高采樣率以及存儲深度高等優勢、而且以Windows系統為操作平臺,操作非常簡單。關于更多R&S 示波器以及MIPI D-PHY測試解決方案的產品信息,歡迎來電咨詢。
-
2023-03-30
-
2021-11-05
-
2021-09-30
-
2024-05-24
-
2021-11-03
-
2021-09-14
-
2023-03-31
-
2025-11-12
-
2021-11-11

