發布時間: 2023-04-26 瀏覽次數: 作者:邁昂科技
功率元件普遍皆存在局部放電的議題,但您知道何謂局部放電(Partial Discharge)嗎?
當電壓施加在含有兩個以上絕緣材料的絕緣物體時,有一個絕緣材料發生放電且至少仍有一個絕緣材料維持正常的絕緣狀態,此放電現象稱之為局部放電。舉例來說,當待測物的絕緣材料中存在異常氣隙,因為空氣的介電系數比絕緣材料低以及空氣的崩潰電壓比絕緣材料低,所以異常氣隙處會分到相對高比例的電壓且容易發生局部放電。
因此,當對待測物施加足夠的測試電壓時,可以利用局部放電偵測量測放電的電荷量(pC),確認待測物的絕緣材料否有絕緣質量異常的潛在風險,故施加一個略高于元件最高的額定工作電壓對功率元件做局部放電測試,能確保功率元件長時間在正常工作電壓下的可靠性(無持續性的局部放電)。

為何功率元件會發生絕緣質量異常(局部放電)?
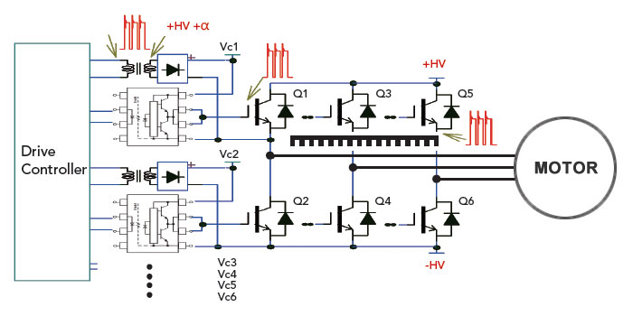
功率元件中的IGBT被應用于各種領域(譬如:電子產品、工業設備、航空航天、軍用設備、鐵路設備、新能源、智能電網、新能源汽車等),且IGBT模塊經常被使?于?功率/?電流的電源轉換/控制線路,?作電壓通常都是數千伏特,由于會被切換ON/OFF狀態的關系,IGBT模塊中的閘極(Gate)與集極(Collector)之間以及IGBT模塊與散熱板之間會出現PWM的高電壓差(如圖?)。當高電壓跨越在含有氣隙或裂縫的絕緣材料時,就有較大的可能性會發生局部放電。經過長時間的工作后會慢慢使絕緣材料逐漸劣化,進而造成絕緣材料的絕緣失效導致產品損壞。
▲圖?.馬達驅動控制線路圖

▲圖二.IGBT氣隙與裂縫的示意圖&劣化路徑的實照
另外,每個IGBT模塊的閘極(Gate)與射極(Emitter)之間?作偏壓可能是由各別的變壓器所提供,而變壓器的??次側之間也會存在?頻的?電壓差(如圖?)。當變壓器一二次側的絕緣能?不足,異常放電所產生的電壓/電流可能會導致IGBT毀損,且?壓放電的突波也可能會使數位控制動作異常。
雖然變壓器使用的線材本身可能具有足夠的絕緣能力(譬如:耐壓3000V的線材),但是當一二次側的線圈相鄰很近或是靠在一起時,看似線材之間好像可以承受相當高耐壓(譬如:6000V),但實際上可能于一般電壓(譬如:1000V)?作?段時間后,就發生故障了。這是因為?般線材絕緣?的介電系數都遠大于空氣,所以使空氣間隙的跨電壓/分壓比例相對?,當線材之間空氣間隙的跨電壓達到>350V(在1atm下空氣最短距所需的放電起始電壓)時,線材之間的局部表面就會開始發生局部放電,由于線材的絕緣皮不會立刻劣化/損壞,所以持續使用一段時間后,線材的絕緣皮才會逐步被碳化,最終導致變壓器的一二次側短路(參照圖三)。此外,在變壓器完全損壞前,一二次側之間產生的放電突波也可能會干擾數位控制的電路導致誤動作。
▲圖三.變壓器??次側線圈的線材間發生局部放電
為何絕緣質量異常的功率元件未被發現?
?般的安規耐壓測試通常只施加高電壓及檢測漏電流,并未對局部放電(PD)進行檢測,所以較難檢測出會發生局部放電的質量異常品,當這些絕緣質量異常的產品實際被使用在正常的工作環境時,雖然并不會讓產品立即損壞或是馬上造成危險,但卻會是產品長期使用的質量議題。若要避免發生此類的質量議題,必須確保在最大?作電壓條件下無持續性局部放電(PD)。一般法規的建議是以最大絕緣工作電壓或最大絕緣重復峰值電壓(取電壓值較高者)的1.875倍做為測試電壓,在測試的過程中(數秒程度),局部放電(PD)的放電量需小于某電荷量(譬如:5pC,10pC,etc.),確保產品?期使用的質量與信賴性。
解決方案:Chroma 19501局部放電測試器(Partial Discharge Tester)
Chroma 19501 + A195005符合法規(IEC 60270-1)對局部放電(Partial Discharge;PD)測量的要求,可提供AC耐壓測試(Max. 5kVac)及局部放電量測(1pC~6,000pC@3nF),能有效的檢測出絕緣質量異常的?壓/功率元件為?期?作的質量與可靠性做把關。
-
2025-05-16
-
2024-09-14
-
2016-01-13
-
2021-11-15
-
2021-09-07
-
2021-09-02
-
2022-02-16
-
2015-10-13
-
2021-12-01

