發布時間: 2024-05-31 瀏覽次數: 作者:邁昂科技
當絕緣體內存在氣泡(Void)或絕緣體間存在氣隙(Air gap)時,在正常工作電壓下氣泡或氣隙容易發生局部放電(Partial Discharge,PD),導致絕緣劣化造成絕緣質量異常,例如:樹酯內有氣泡或漆包線間的氣隙,因為空氣的介電系數較低,氣泡或氣隙的電容量比原絕緣材料低,所以會分到相對高比例的電壓,且在相同間隙距離條件下,氣泡或氣隙的崩潰電壓比絕緣材料的低。此類放電發生于氣泡或氣隙等局部瑕疵, 但與其串行之絕緣材仍維持正常的放電現象稱之為局部放電。
當對待測物施加足夠的測試電壓時,利用局部放電偵測功能量測放電的電荷量(pC),確認待測物的絕緣材料是否有絕緣質量異常的潛在風險。故施加一個略高于組件最高的額定工作電壓對組件做局部放電測試,確保組件長時間在正常工作電壓下的可靠性(無持續性的局部放電)。
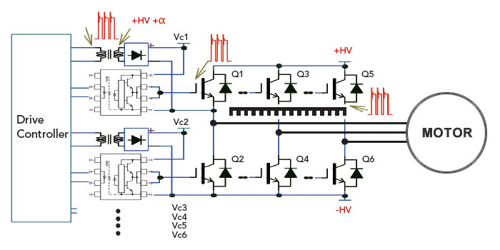
▲圖?. ?達驅動控制線路圖
功率組件中的IGBT與SiC-MOSFET被應用于各種領域(譬如:電子產品、工業設備、航空航天、軍用設備、鐵路設備、新能源、智慧電網、新能源車等),且經常被使用于高功率/大電流的電源轉換/控制線路,工作電壓通常都是數千伏特,由于會被切換ON/OFF狀態的關系,模塊中的閘極(Gate)與集極(Collector)或汲極(Drain)之間,以及模塊與散熱板之間會出現PWM的高電壓差。當高電壓跨越在含有氣泡、氣隙或裂縫的絕緣材料時,就有較大的可能性會發生局部放電,經過長時間的工作后會慢慢使絕緣材料逐漸劣化,進而造成絕緣材料的絕緣失效導致產品損壞。另外,每個模塊的閘極(Gate)與射極(Emitter)或源極(Source)之間工作偏壓可能是由各別的變壓器所提供,而變壓器的一二次側之間也會存在高頻的高電壓差。當變壓器一二次側的絕緣能力不足,持續性異常放電的突波也可能會使數字控制動作異常及導致晶體管故障。
另外,每個模塊的閘極(Gate)與射極(Emitter)或源極(Source)之間?作偏壓可能是由各別的變壓器所提供,而變壓器的??次側之間也會存在?頻的?電壓差?當變壓器一二次側的絕緣能?不足,持續性異常放電的突波也可能會使數字控制動作異常及導致晶體管故障?
雖然變壓器使用的線材本身可能具有足夠的耐壓能力(譬如 : 耐壓3000V的線材),但是當一二次側的線圈相鄰很近或是靠在一起時,看似線材之間好像可以承受相當高耐壓 (譬如 : 6000V),但實際上可能于一般電壓(譬如 : 1000V)?作?段時間后就發生故障了?這是因為?般線材絕緣?的介電系數都遠大于空氣,所以使空氣間隙的跨電壓/分壓比例相對?,當線材之間空氣間隙的跨電壓達到>350V(在1atm下空氣最短距所需的放電起始電壓)時,線材之間的局部表面就會開始發生局部放電,由于線材的絕緣皮不會立刻劣化/損壞,所以持續使用一段時間后,線材的絕緣皮才會逐步被碳化,最終導致變壓器的一二次側短路(如圖四) ?
▲圖四. 變壓器??次側線圈的線材間發生局部放電
光耦合器與數字隔離器被應用于各種需要隔離的環境,當隔離的高電壓跨越在含有氣泡或裂縫的絕緣材料時,就可能會有足夠高的分壓在氣泡或裂縫上導致發生局部放電。 經過長時間的劣化后,因絕緣材料的絕緣失效而導致電壓的隔離失效(如圖五)。
?般的安規耐壓測試通常只施加高電壓及檢測漏電流,并未對局部放電(PD)進行檢測,所以較難檢測出會發生局部放電的質量異常品,當這些絕緣質量異常的產品實際被使用在正常的工作環境時,雖然并不會讓產品立即損壞或是馬上造成危險,但卻會是產品長期使用的質量議題。若要避免發生此類的質量議題,必須確保在最大?作電壓條件下無持續性局部放電(PD)。一般法規的建議是以最大絕緣工作電壓或最大絕緣重復峰值電壓(取電壓值較高者) 的1.875倍做為測試電壓,在測試的過程中(數秒程度),局部放電(PD)的放電量需小于某電荷量(譬如: 5pC, 10pC, etc.),確保產品?期使用的質量與信賴性。
▲圖五. 光耦合器里存在氣泡的示意圖
解決方案: Chroma 19501局部放電測試器 (Partial Discharge Tester)
Chroma 19501系列符合法規IEC 60270-1對局部放電(Partial Discharge; PD)量測的要求,并將法規之測試方法設計于儀器內。可提供AC耐壓測試(Max. 10kVac)及局部放電量測(Max. 6,000pC),能有效的檢測出絕緣質量異常的?壓/功率組件、光耦合器、數字隔離器等,為組件?期?作的質量與可靠性做把關。
-
2022-01-04
-
2021-11-19
-
2022-01-04
-
2021-11-03
-
2021-11-15
-
2025-11-13
-
2021-11-12
-
2024-07-05
-
2021-11-08

