概 述
EM5040E/5040A/5040B 人工電源網絡是一款(50uH+5Ω)||50Ω V 型 LISN(Line Impedance Stable Network)。該產品能在 9kHz—30MHz 射頻范圍內為被測試設備端子和參考地之間提供穩定的阻抗,同時又將來自電網的無用信號與測量電路隔離開,僅將被測試設備的干擾電壓耦合到測量接收機的輸入端。該產品的性能符合 CISPR16-1-2:2006 標準要求,適用于單相設備傳導騷擾電壓測量。標準的 BNC 輸出接口和50 歐姆輸出阻抗,可匹配任何廠家的接收機、頻譜儀等測量設備;產品自帶模擬手功能,可模擬手持式設備測量。
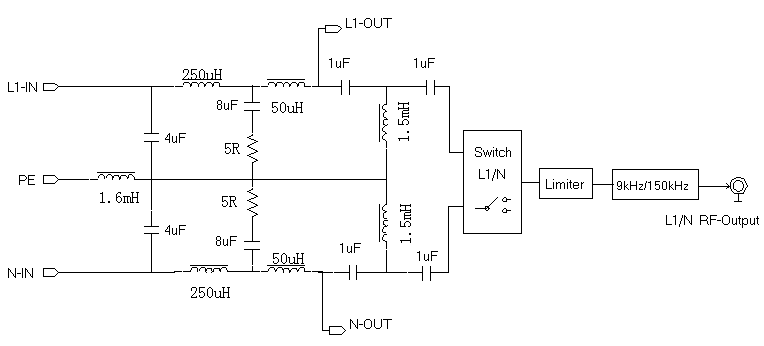
EM5040E 是一款標準的人工電源網絡。EM5040A 在此基礎上增加了一個限幅器(有 10dB 衰減)和一個可選的 150kHz 高通濾波器。用戶可以根據相應標準選擇低端頻率從 9kHz 還是 150kHz 開始。產品內置的瞬態限幅器可以有效保護接收機或頻譜儀不會因為大信號損壞。用戶可以把 EM5040A 直接安全地連接到以上設備,不需要另外購買限幅器。
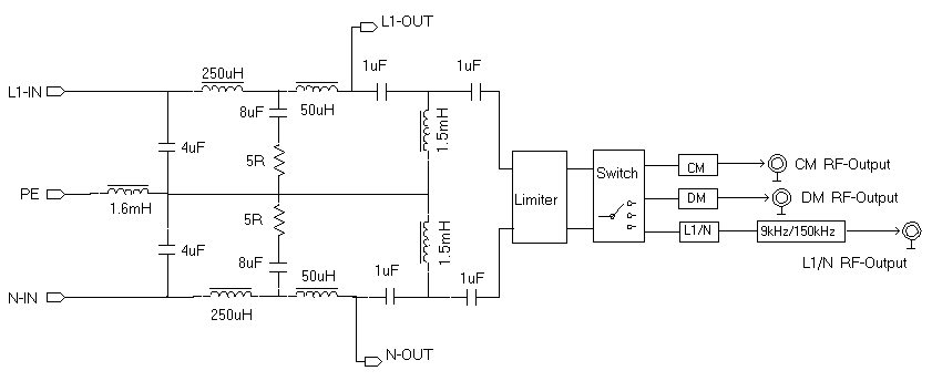
EM5040B 在 EM5040A 的基礎上增加了測量共模和差模干擾的功能, 為電磁兼容的整改尤其是 EMI 濾波器的測試提供有針對性的指導。
EM5040C 人工電源網絡是一款單線(5uH+1Ω)|| 50Ω LISN(Line Impedance Stable Network)。該產品能在 100kHz~200MHz 射頻范圍內為被測試設備端子和參考地之間提供穩定的阻抗,同時又將來自電網的無用信號與測量電路隔離開,僅將被測試設備的干擾電壓耦合到測量接收機的輸入端。其性能符合VDE0876 第一部分(車載電源系統)、VDE0879 第二部分、CISPR16-1-2(低阻抗供電)、CISPR25 和 EMC 指令95/94/EG、DIN40839、IS07637 以及 MIL-STD-462、MIL-I-6181D、MIL-E-55031、DEF STAN59-41 和 DO 160。
基本原理
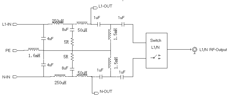
EM5040E/5040A/5040B 的 V 型人工電源網絡部分是完全相同的。所不同的是后續信號處理部分。EM5040E 只有基本的 V 型人工網絡部分。為了保護后級設備,推薦增加限幅器,可選用本公司EM5010A。
EM5040E 原理如下圖:

EM5040A 在此基礎上增加了一個限幅器(有 10dB 衰減)和一個可選的 150kHz 高通濾波器。如下圖:
EM5040B 在 EM5040A 的基礎上增加了測量共模和差模電壓的功能。如下圖:
EM5040C 單線 V 型人工電源網絡如下圖
EM5040E/5040A/5040B/5040C 產品介紹
EM5040E/5040A 前面板說明
1(L1 指示燈):當供接入電源時,該指示燈點亮,為藍色。
2(被測設備(EUT)供電接口):本儀器的電源接口為德標。同時產品的附件中為客戶標配國標轉接頭。
3(參考地(Reference Ground)接口):4mm 插孔,用于連接被測設備接地端子。
4(N 、L1):被測相線選擇開關。
5(9kHz/150kHz 開關):濾波器選擇開關。EM5040E 無此功能
6 (RF OUTPUT 輸出接口):標準的 BNC 射頻輸出口,用于連接接收機或頻譜儀。 因為EM5040A 的內部附加了一個 10dB 衰減的瞬態限幅器,所以接收機要設置相應的修正系數。EM5040E 沒有此功能。
7(ARTIFICIAL HAND 模擬手功能):該功能模擬人手接觸手持式工具金屬部分的實際影響效果。是由 510 歐姆電阻和 220pF 網絡組成。4mm 插孔端子,實際應用中,該端子連接手持式設備人手接觸的金屬部分。
EM5040B 前面板說明
1(L1 指示燈):當供接入電源時,該指示燈點亮,為藍色。
2(被測設備(EUT)供電接口):本儀器的電源接口為德標。同時產品的附件中為客戶標配了國標轉接頭。
3(參考地(Reference Ground)接口):4mm 插孔,用于連接被測設備接地端子。
4(9kHz/150kHz 開關):濾波器選擇開關。
5 (RF OUTPUT 射頻輸出接口): 標準的 BNC 射頻母座,該接口用于連接接收機。
6(轉換開關):分別將 CM、DM、L1、N 輸出信號切換到的 RF OUTPUT 端口。
7(ARTIFICIAL HAND 模擬手功能):該功能模擬人手接觸手持式工具金屬部分的實際影響效果。是由 510 歐姆電阻和 220pF 網絡組成。4mm 插孔端子,實際應用中,該端子連接手持式設備人手接觸的金屬部分。
8(CM 射頻共模輸出檔):輸出電壓 Vout=(Vn+Vl)/2-10dB。已固定接入 10dB 衰減器,接收機要相應修正衰減系數。
9 (DM 射頻差模輸出檔):輸出電壓 Vout=(Vn-Vl) /2-10dB。已固定接入 10dB 衰減器,接收機要相應修正衰減系數。
10(L1 相射頻輸出檔): 內部已固定接入 10dB 衰減的瞬態限幅器,接收機要相應修正衰減系數。
11(N 相射頻輸出檔): 內部已固定接入 10dB 衰減的瞬態限幅器,接收機要相應修正衰減系數。
EM5040E/5040A/5040B 側面金屬接地板和后面板說明
側面金屬接地板供保護接地
后面板說明
1 接地端子:該端子尺寸為 4mm 蝶形螺栓,僅供接地保護,不適用到參考地。
2 電源輸入端:主要為被測設備供電。
EM5040C 前后面板說明
EM5040C 的底層金屬面板是參考地,可以用螺絲將其固定在實驗室的地平面上。
傳導測試測試平臺搭建
請仔細閱讀說明書,了解安全方面知識,按照正確步驟測量。
該產品是按國際標準的設計的,因此原理上會存在較大的對地漏電流,如接地不良可能會造成嚴重的觸電情況甚至傷亡。因此,本公司要求用戶:
必須保證儀器良好接地(在側面和后面各有接地點)。
必須安裝隔離變壓器作為雙重保障。
本公司容量為 0.9kVA 的隔離變壓器 EM5060 可滿足大部分測試需求。
使用過程中不要打開外殼和接線,不要在潮濕,有易燃易爆物品的的地方使用。使用前保證儀器表面的干燥和清潔。
確保產品在額定電壓額定電流范圍內使用。
如果產品出現問題,請及時與我公司聯系。請不要擅自打開外殼進行維修,以免發生意外。
傳導測試測試平臺搭建
請仔細閱讀說明書,了解安全方面知識,按照正確步驟測量。
該產品是按國際標準的設計的,因此原理上會存在較大的對地漏電流,如接地不良可能會造成嚴重的觸電情況甚至傷亡。因此,本公司要求用戶:
必須保證儀器良好接地(在側面和后面各有接地點)。
必須安裝隔離變壓器作為雙重保障。
本公司容量為 0.9kVA 的隔離變壓器 EM5060 可滿足大部分測試需求。
使用過程中不要打開外殼和接線,不要在潮濕,有易燃易爆物品的的地方使用。使用前保證儀器表面的干燥和清潔。
確保產品在額定電壓額定電流范圍內使用。
如果產品出現問題,請及時與我公司聯系。請不要擅自打開外殼進行維修,以免發生意外。
EM5040B 共模差模分離技術的應用
開關電源的傳導干擾信號,均可用差模和共模信號來表示。差模干擾是火線與零線之間產生的干擾,共模干擾是火線或零線與地之間的產生的干擾。設 L/N 上的干擾信號 VL 和 VN, 而這個信號可以看成有共模電壓 VC 和差模電壓 VD 合成的。
VL= VC+VD
VN=VC-VD
抑制差模干擾信號和共模干擾信號普遍有效的方法就是在開關電源輸入電路中加裝電磁干擾濾波器。而開關電源輸入端采用的 EMI 濾波器是一種雙向濾波器,是由電容和電感構成的低通濾波器,每一個元件對應的抑制干擾的功能是不同的。
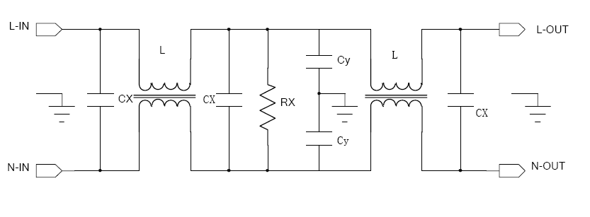
下圖是一個典型的二級 EMI 濾波器。
EMI 濾波器包括共模電感 L, 差模電容 Cx 和共模電容 Cy。
L: 共模扼流圈對共模干擾有效對差模干擾無效 。理論上講電感量越大抑制效果越好,但電感的圈數多了會導致分布電容大,高頻共模的抑制變差。
Cx: 差模電容通常先用金屬膜電容,取值范圍一般在 0.1~1uF。
Cy: 用于抑制較高頻率的共模干擾信號,取值范圍一般為 2200~6800pF。
Rx: 為 Cx 泄放電阻。
所以可以使用 EM5040B 來分析到底是共?;虿钅8蓴_的問題,有針對性地調整 對應的元件:共模電感L, 差模電容 Cx 和共模電容 Cy ,達到完成整改的目的。
電源濾波器一般用來抑制30MHz以下頻率范圍的噪音,但對30MHz以上的輻射干擾也有一定的抑制作用。根據開關電源共模、差模干擾的特點,可以按干擾的分布大概劃分為 3 個頻段:150 kHz~500kHz 差模干擾為主;500kHz~5MHz 差模、共模干擾共存;5MHz~30MHz 共模干擾為主。